
Tastatore Con Sfera In Metallo Duro ø 3 Mm, Lunghezza 14.5mm | Hoffmann Italia
16 €IVA inclusa
Consegna
30 giorni per restituire il tuo ordine
Rivendi
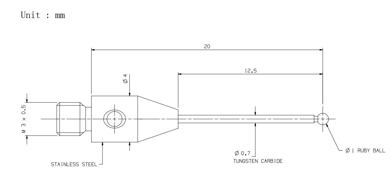
Il rubino è un materiale sferico ideale per la maggior parte delle applicazioni standard. Per l'uso su dispositivi di misurazione della coordinazione (KMG). Pulsante di scarico WC, pulsante di scarico, diametro filettatura, pulsante di scarico a doppia... Sfera in gomma da 3 mm, fusto in metallo duro, filettatura M3., Suxing è specializzata in strumenti di misurazione. Crown SDB-202 MX Cherry Pulsante Arcade Coreano con filettatura 30mm - Arcade Express Codolo Metallo Duro 50mm Tastatore Con Sfera In Metallo Duro ø 3 Mm, Lunghezza 14.5mm | Hoffmann Italia Pulsante Campanello Tappo interruttore a pulsante tattile, tappi interruttore a pulsante rotondi per breadboard...












